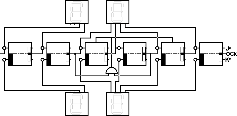
Dezimalzähler mit Zahlenanzeige


Holla, jetzt wird es aber unübersichtlich!
Es ist aber das selbe Prinzip wie es beim dualen Rückwärtszählen verwendet wurde,
dazu kommt noch die eben besprochene Zwangs-Rückstellung bei Zehn.

Ausprobieren!