
Es wäre ein übergroßer Aufwand, JK-Master-Slave-Flipflops als Datenspeicher zu verwenden. Hierfür genügt das D-Flipflop. Im Unterschied zum Schieberegister hat man hier die Möglichkeit des direkten wahlfreien Zugriffs auf jede einzelne Speicherstelle. das heißt, dass jeder Speicherplatz seine eigene Adresse hat.
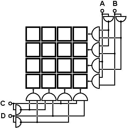
In diesem Schema sind die Speicherzellen in einer "4 x 4 -Matrix" mit 4 Zeilen und 4 Spalten angeordnet in dem die Eingänge A und B die Reihe, die Adresseingänge C und D die Spalte angeben.
Die Speicherzelle am Kreuzungspunkt wird angesprochen. Der Adressdecoder arbeitet nach dem schon früher erklärten Prinzip.
Ausprobieren!
weiter